RT7638
- IEEE802.3af ,IEEE802.3at ,IEEE802.3bt(Draft V3.2) compliant
- Maximum 36W 12v or 24voutput power
- Input voltage range 52V to 57V(36W) ,
- Integral high efficiency DC/DC converter.
- Low output ripple and noise
- High performance with low price
- Short-circuit protection
- Transformer isolation ,1500V isolation (input to output)
- Easy to use, with a minimum number of external components.
- IEC 61000-4-2 Level 4 (8KV/15KV) ESD protection
- IEC 61000-4-5 Level 3 SURGE LEVEL :10/700μs 40ohm 4KV---Optional
RT7638
36W BT POE Ultra Module ( Isolation Model)
Product Description

|
Version |
Date |
Author |
Approved By |
Remarks |
|
RT7638 V1.0 |
20240512 |
LI xiao yan |
Rock |
|
|
RT7638 V1.4 |
20250527 |
LI xiao yan |
Rock |
|
|
|
|
|
|
|
© 2024 Shenzhen Ring&tone Electronic Technology Co., Ltd. All rights reserved.
This document contains proprietary information of ring&tone and is not to be disclosed or used without the prior written permission of ring&tone.
Due to update and improvement of ring&tone products and technologies, information in this document is subjected to change without notice.
Features:
- IEEE802.3af ,IEEE802.3at ,IEEE802.3bt(Draft V3.2) compliant
- Maximum 36W 12v or 24voutput power
- Input voltage range 52V to 57V(36W) ,
- Integral high efficiency DC/DC converter.
- Low output ripple and noise
- High performance with low price
- Short-circuit protection
- Transformer isolation ,1500V isolation (input to output)
- Easy to use, with a minimum number of external components.
- IEC 61000-4-2 Level 4 (8KV/15KV) ESD protection
- IEC 61000-4-5 Level 3 SURGE LEVEL :10/700μs 40ohm 4KV---Optional
Applications:
- IP Cameras
- Wireless access point
- Security and alarm systems
- Point of sale network terminal equipment
- WiMAX access points
- PTZ cameras
- notebook computers and thin client terminals.
Description:
The RT7638 is a High Power over Ethernet (PoE Ultra, BT) module that can deliver up to 60 Watts of output power.
The RT7638 series of modules are designed to extract power from a conventional twisted pair Category 5 Ethernet cable, conforming to the IEEE 802.3af and IEEE 802.3at and IEEE 802.3bt Power-over-Ethernet(PoE) standard.
The RT7638 signature and control circuit provides the PoE compatibility signature and power classification required by the Power Sourcing Equipment (PSE) before applying up to 36W power to the port. It has been designed to work with existing high power PSE’s from leading manufacturers.
The DC/DC converter operates over a wide input voltage range and provides a regulated output. The DC/DC converter also has built-in short-circuit output protection.
- RT7638 Product Selector
|
Part Number |
Nominal Output |
Maximum Output Power |
Marking |
Package |
|
|
RT7638 |
12V |
36W |
RT7638 |
CON |
Pin header connection |
|
|
|
|
|
|
|
*At 25°C with VIN = 52V
- Pin Description
|
Pin # |
Name |
2.0mm 4pin Description |
|
|
J1-1 |
PR12 |
Power supply pair A |
The centre tap of the transformer connected to pins 1&2 of the RJ45 connector it is not polarity sensitive. |
|
J1-2 |
PR36 |
The centre tap of the transformer connected to pins 3&6 of the RJ45 connector it is not polarity sensitive. |
|
|
J1-3 |
PR45 |
Power supply pair B |
The centre tap of the transformer connected to pins 4&5 of the RJ45 connector it is not polarity sensitive. |
|
J1-4 |
PR78 |
The centre tap of the transformer connected to pins 7&8 of the RJ45 connector it is not polarity sensitive. |
|
|
Pin # |
Name |
2.0mm 4pin Description |
|
J2-1 |
Vout+ |
DC Output 12V . This pin provides the main regulated output from the DC/DC converter. |
|
J2-2 |
Vout+ |
|
|
J2-3 |
Vout- |
Ground. The ground return for the output. |
|
J2-4 |
Vout- |
- Absolute Maximum Ratings
|
|
Parameter |
Symbol |
Min |
Max |
Units |
|
1 |
DC Supply Voltage |
VCC |
-0.3 |
60 |
V |
|
2 |
DC Supply Voltage Surge for 1ms |
VSURGE |
-0.6 |
80 |
V |
|
3 |
Storage Temperature |
TS |
-40 |
100 |
OC |
Note 1: Exceeding the above ratings may cause permanent damage to the product. Functional operation under these conditions is not implied. Maximum ratings assume free airflow.
- Recommended Operating Conditions
|
|
Parameter |
Symbol |
Min |
Typ |
Max |
Units |
|
1 |
Input Supply Voltage1 @20W @36W
|
VIN |
36 52
|
48 54
|
57 57
|
V |
|
2 |
Under Voltage Lockout |
VLOCK |
30 |
|
36 |
V |
|
3 |
Operating Temperature2 |
TOP |
-20 |
25 |
70 |
Ta / OC |
|
|
|
|
|
|
|
|
Note ** Extended use close to, or at the maximum operating temperature can reduce the life time of the device.
- DC Electrical Characteristics
|
|
DC Characteristic |
Sym |
Min |
Typ1 |
Max |
Units |
Test Comments |
|
1 |
Nominal Output Voltage |
+VDC |
11.5 |
12.0 |
12.5 |
V |
|
|
2 |
Line Regulation |
VLINE |
|
0.1 |
|
% |
@ 50% Load |
|
3 |
Load Regulation |
VLOAD |
|
1 |
|
% |
@ VIN=48V |
|
4 |
Output Ripple and Noise |
VRN |
|
110 |
|
mVp-p |
@ Max load2 |
|
5 |
Minimum Load |
RLOAD |
100 |
|
|
mA |
|
|
6 |
Short-Circuit Duration3 |
TSC |
|
|
∞ |
sec |
|
|
7 |
Efficiency @ 80% Load |
EFF |
|
87 |
|
% |
Vin = 54V 50% Load |
|
8 |
Isolation Voltage (I/O) |
VISO |
|
1500 |
|
VPK |
Impulse Test |
|
9 |
Temperature Coefficient |
TC |
|
0.02 |
|
% |
Per OC |
Note 1: Typical figures are at 25°C with a nominal 48V supply and are for design aid only. Not Guaranteed
2: The output ripple and noise can be reduced with an external filter, see application note.
3: Continuous short circuit duration is applicable at 25'C ambient temperature in free air. At higher temperatures or with restricted
airflow (e.g. in a sealed enclosure) the duration will need to be limited to avoid overheating.
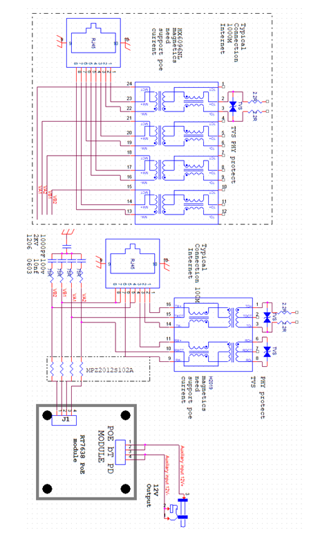
- RT7638-CON Typical Connection Diagram 1000M Ethernet :

- Power Classification
The RT7638 is Type 4 - Class 8 PD requesting the highest nominal amount of power from an IEEE802.3bt PSE If the RT7638 is connected to an IEEE802.3at PSE, the PSE will recognise the initial Class 4 pulse from the as a Type 2 PD and provide ~25W.
- PD Signature
The RT7638 input complies with the IEEE802.3af specification. When the inputs are connected to a Power Sourcing Equipment (PSE), they will automatically present a Powered Device (PD) signature to the PSE (when requested). The equipment will then recognise that a PD is connected to that line and supply power.
- Operating Temperature Range
It is important to remember that RT7638 is a power supply, and as such careful consideration should be taken over the mechanical design of the host product, with provision for heat sinking and/or forced air cooling.
At full power the RT7638 will generate heat. The device has been designed to be used with heatsink plate or thermally connected to the chassis of the host equipment, or cooled with forced air.
- Package : (mm ±3mm )

- RT7638-CON Package Size: (mm ±3mm )

