RT30P04B
- IEEE802.3at and IEEE802.3af compliant
- Maximum 30W output power
- Input voltage range 36V to 57V
- Integral high efficiency DC/DC converter.
- Low output ripple and noise
- High performance with low price
- Short-circuit protection
- Transformer isolation ,1500V isolation (input to output)
- Easy to use, with a minimum number of external components.
RT30P04B
30W POE PD Module ( Isolation Model)
Product Description

|
Version |
Date |
Author |
Approved By |
Remarks |
|
V1.2 |
2017/8/5 |
LI xiao yan |
Rock |
|
|
V2.3 |
2022/8/5 |
LI xiao yan |
Rock |
|
|
|
|
|
|
|
© 2025 Shenzhen Ring&tone Electronic Technology Co., Ltd. All rights reserved.
This document contains proprietary information of ring&tone and is not to be disclosed or used without the prior written permission of ring&tone.
Due to update and improvement of ring&tone products and technologies, information in this document is subjected to change without notice.
Features:
- IEEE802.3at and IEEE802.3af compliant
- Maximum 30W output power
- Input voltage range 36V to 57V
- Integral high efficiency DC/DC converter.
- Low output ripple and noise
- High performance with low price
- Short-circuit protection
- Transformer isolation ,1500V isolation (input to output)
- Easy to use, with a minimum number of external components.
Applications:
- IP Cameras
- Wireless access point
- Security and alarm systems
- VOIP telephone
- Point of sale network terminal equipment
Description:
The RT30P04B series of modules are designed to extract power from a conventional.
twisted pair Category 5 Ethernet cable, conforming to the IEEE 802.3af and IEEE 802.3at Power-over-Ethernet(PoE) standard.
The RT30P04B signature and control circuit provides the PoE compatibility signature and power classification required by the Power Sourcing Equipment (PSE) before applying up to 30W power to the port.
The DC/DC converter operates over a wide input voltage range and provides a regulated output. The DC/DC converter also has built-in short-circuit output protection.
Product Selector
|
Part Number |
Nominal Output * |
Maximum Output Power* |
Integrated bridge |
Power structure |
Marking |
Package |
|
RT30P04B -5V |
5V |
30W |
YES |
Forward |
5V |
DIP |
|
RT30P04B -12V |
12V |
30W |
YES |
Forward |
12V |
DIP |
|
RT30P04B -24V |
24V |
30W |
YES |
Forward |
24V |
DIP |
*At 25°C with VIN = 54V
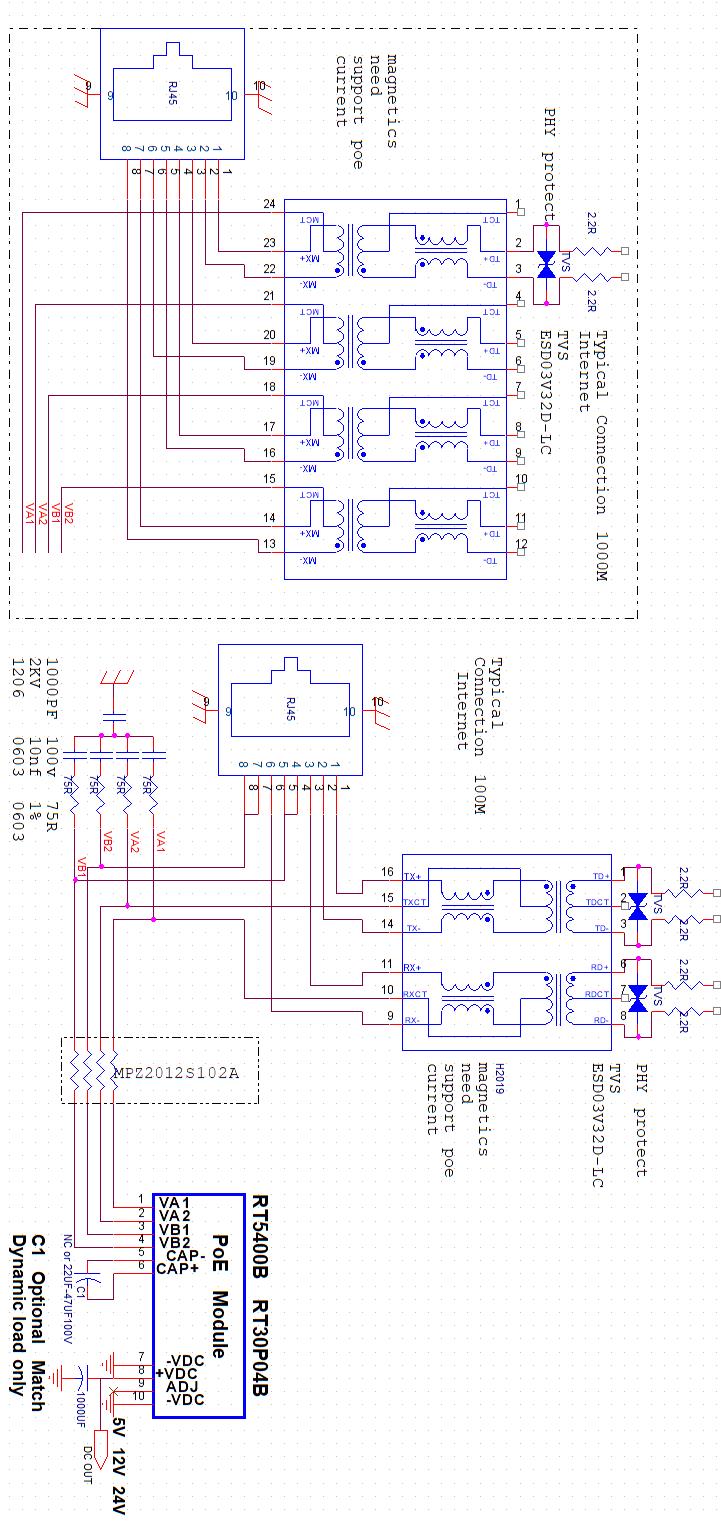
RT30P04B Pin Description:
|
Pin # |
Name |
Description |
|
1 |
VA1 |
RX Input (1). This input pin is used in conjunction with VA2 and connects to the centre tap of the transformer connected to pins 1 & 2 of the RJ45 connector (RX) - it is not polarity sensitive. (RT30P04B-S, POE Direct Input +. This pin connects to the positive (+) output of the POE input bridge rectifiers.) |
|
2 |
VA2 |
TX Input (2). This input pin is used in conjunction with VA1 and connects to the centre tap of the transformer connected to pins 3 & 6 of the RJ45 connector (TX) - it is not polarity sensitive. (RT30P04B-S,POE Direct Input -. POE Direct Input -. This pin connects to the negative (-) output of the POE input bridge rectifiers..) |
|
3 |
VB1 |
Direct Input (1). This input pin is used in conjunction with VB2 and connects to pin 4 & 5 of the RJ45 connector - it is not polarity sensitive. |
|
4 |
VB2 |
Direct Input (2). This input pin is used in conjunction with VB1 and connects to pin 7 & 8 of the RJ45 connector - it is not polarity sensitive. |
|
5 |
cap+ |
Internal cap, need Match Dynamic load ,connecting A 22uf-100uf 63V |
|
6 |
cap- |
|
|
7 |
-VDC |
DC Return. This pin is the return path for the +VDC output. |
|
8 |
+VDC |
DC Output. This pin provides the regulated output from the DC/DC converter. |
|
9 |
ADJ |
Output Adjust. The output voltage can be adjusted from is nominal value, by connecting an external resistor from this pin to either the +VDC pin or the -VDC pin. |
|
10 |
-VDC |
DC Return. This pin is the return path for the +VDC output. |
Absolute Maximum Ratings
|
|
Parameter |
Symbol |
Min |
Max |
Units |
|
1 |
DC Supply Voltage |
VCC |
-0.3 |
60 |
V |
|
2 |
DC Supply Voltage Surge for 1ms |
VSURGE |
-0.6 |
80 |
V |
|
3 |
Storage Temperature |
TS |
-40 |
100 |
OC |
Note 1: Exceeding the above ratings may cause permanent damage to the product. Functional operation under these conditions is not implied. Maximum ratings assume free airflow.
Power Classification
The RT30P04B classification is fixed at Class 4, this means that an IEEE802.3at Type 1 or an IEEE802.3af PSE will default to Class 0. However an IEEE802.3at PSE will recognise the Class 4 as a Type 2 PD.
Recommended Operating Conditions
|
|
Parameter |
Symbol |
Min |
Typ |
Max |
Units |
|
1 |
Input Supply Voltage1 |
VIN |
36 |
48 |
57 |
V |
|
2 |
Under Voltage Lockout |
VLOCK |
30 |
|
36 |
V |
|
3 |
Operating Temperature2 |
TOP |
-20 |
25 |
70 |
Ta / OC |
|
4 |
Operating Temperature 24W Continuous 18W Continuous |
TOP |
-40 |
25 |
50 70 |
Ta / °C |
Note 1: ** Extended use close to, or at the maximum operating temperature can reduce the life time of the device.
DC Electrical Characteristics
|
|
DC Characteristic |
Sym |
Min |
Typ1 |
Max |
Units |
Test Comments |
|
1 |
Nominal Output Voltage |
+VDC |
11.5 |
12.0 |
12.5 |
V |
12V |
|
2 |
Line Regulation |
VLINE |
|
0.1 |
|
% |
@ 50% Load |
|
3 |
Load Regulation |
VLOAD |
|
1 |
|
% |
@ VIN=48V |
|
4 |
Output Ripple and Noise 2 |
VRN |
|
180 |
|
mVp-p |
@ Max load2 |
|
5 |
Minimum Load 3 |
RLOAD |
200 |
|
|
mA |
@ 12V out |
|
6 |
Short-Circuit Duration |
TSC |
|
|
∞ |
sec |
|
|
7 |
Efficiency @ 80% Load |
EFF |
|
86 |
|
% |
|
|
8 |
Isolation Voltage (I/O) |
VISO |
|
1500 |
|
VPK |
Impulse Test |
|
9 |
Temperature Coefficient |
TC |
|
0.02 |
|
% |
Per OC |
Note1: Typical figures are at 25°C with a nominal 52V supply and are for design aid only. Not Guaranteed
2: The output ripple and noise can be reduced with an external filter
3: The module can emit an audible noise if operated at less than the specified minimum load and may cause the PSE to fail its MPS .
RT30P04BR Typical Connection Diagram:

RT30P04B Package Size 6+4PIN : (mm±3mm )

Recommended PCB hole diameter PTH = 1.2 ± 0.05

