RT7407
The RT7407 series of modules are designed to extract power from a conventional
twisted pair Category 5 Ethernet cable, conforming to the IEEE 802.3af and IEEE 802.3at Power-over-Ethernet(PoE) standard.
The RT7407 signature and control circuit provides the PoE compatibility signature and
power classification required by the Power Sourcing Equipment (PSE) before applying up
to 30W power to the port.
The DC/DC converter operates over a wide input voltage range and provides a regulated
output. The DC/DC converter also has built-in short-circuit output protection.
RT7407
30W POE PD Module ( Isolation Model)
Thin design with a thickness of 9.1mm
Product Description

|
Version |
Date |
Author |
Approved By |
Remarks |
|
RT7407V1.1 |
2025/10/28 |
LI xiao yan |
Rock |
|
|
|
|
|
|
|
|
|
|
|
|
|
|
|
|
|
|
|
© 2022 Shenzhen Ring&tone Electronic Technology Co., Ltd. All rights reserved.
This document contains proprietary information of ring&tone and is not to be disclosed or used without the prior written permission of ring&tone.
Due to update and improvement of ring&tone products and technologies, information in this document is subjected to change without notice.
Features:
- IEEE802.3at and IEEE802.3af compliant
- Maximum 30W output power
- Input voltage range 36V to 57V
- Integral high efficiency DC/DC converter.
- Low output ripple and noise
- High performance with low price
- Short-circuit protection
- Transformer isolation ,1000V isolation (input to output)
- Easy to use, with a minimum number of external components.
- Thin design with a thickness of 9.1mm
Applications:
- IP Cameras
- Wireless access point
- Security and alarm systems
- VOIP telephone
- Point of sale network terminal equipment
Description:
The RT7407 series of modules are designed to extract power from a conventional
twisted pair Category 5 Ethernet cable, conforming to the IEEE 802.3af and IEEE 802.3at Power-over-Ethernet(PoE) standard.
The RT7407 signature and control circuit provides the PoE compatibility signature and
power classification required by the Power Sourcing Equipment (PSE) before applying up
to 30W power to the port.
The DC/DC converter operates over a wide input voltage range and provides a regulated
output. The DC/DC converter also has built-in short-circuit output protection.
- RT7407 Product Selector
|
Part Number |
Nominal Output |
Maximum Output Power* |
|
Marking |
Package |
|
RT7407-CON |
12V |
30W |
|
RT7407 |
2.0CON |
|
RT7407-DIP |
12V |
30W |
|
RT7407 |
2.0DIP |
*At 25°C with VIN = 48V
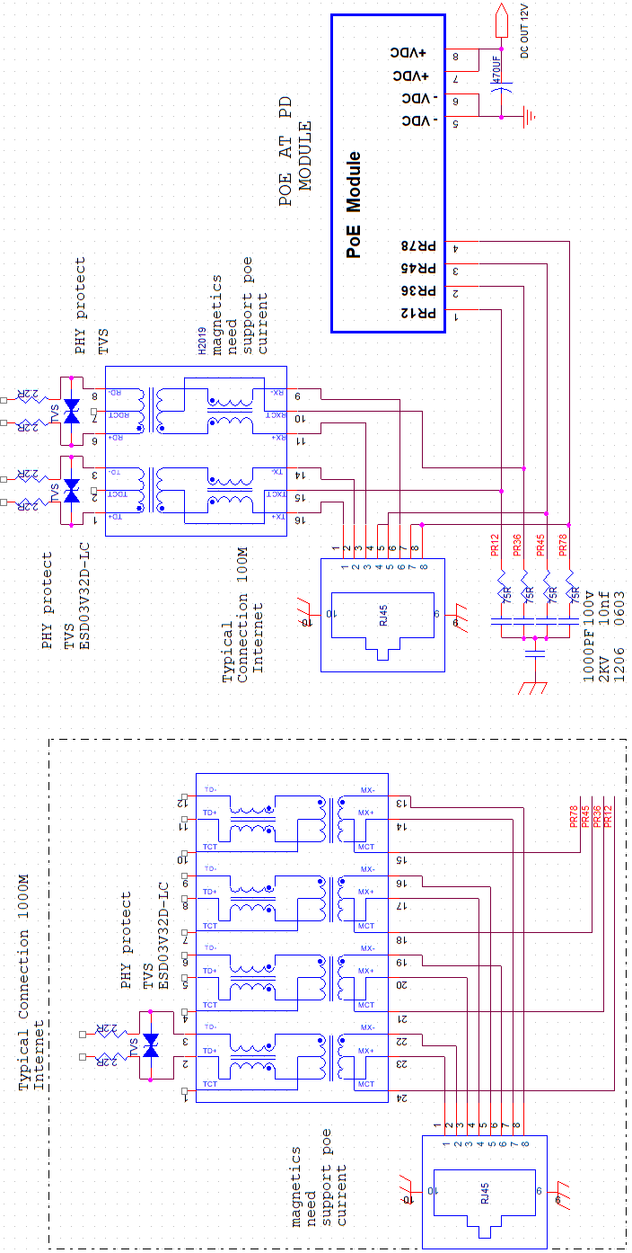
- Pin Description:
|
Pin # |
Name |
Description |
|
1 |
PR12 |
The centre tap of the transformer connected to pins 1&2 of the RJ45 connector it is not polarity sensitive. |
|
2 |
PR36 |
The centre tap of the transformer connected to pins 3&6 of the RJ45 connector it is not polarity sensitive. |
|
3 |
PR45 |
The centre tap of the transformer connected to pins 4&5 of the RJ45 connector it is not polarity sensitive. |
|
4 |
PR78 |
The centre tap of the transformer connected to pins 7&8 of the RJ45 connector it is not polarity sensitive. |
|
5 |
-VDC |
DC Return. This pin is the return path for the +VDC output. |
|
6 |
||
|
7 |
+VDC |
DC Output. This pin provides the regulated output from the DC/DC converter. |
|
8 |
- Absolute Maximum Ratings
|
|
Parameter |
Symbol |
Min |
Max |
Units |
|
1 |
DC Supply Voltage |
VCC |
-0.3 |
60 |
V |
|
2 |
DC Supply Voltage Surge for 1ms |
VSURGE |
-0.6 |
80 |
V |
|
3 |
Storage Temperature |
TS |
-40 |
100 |
OC |
Note 1: Exceeding the above ratings may cause permanent damage to the product. Functional operation under these conditions is not implied. Maximum ratings assume free airflow.
- Recommended Operating Conditions
|
|
Parameter |
Symbol |
Min |
Typ |
Max |
Units |
|
1 |
Input Supply Voltage1 |
VIN |
36 |
54 |
57 |
V |
|
2 |
Under Voltage Lockout |
VLOCK |
30 |
|
36 |
V |
|
3 |
Operating Temperature2 |
TOP |
-20 |
25 |
70 |
Ta / OC |
|
4 |
Operating Temperature 30W Continuous 24W Continuous 14W Continuous |
TOP |
-20 |
25 |
25 70 85 |
Ta / °C |
Note 1: With minimum load
2: See Section Operating Temperature Range
** Extended use close to, or at the maximum operating temperature can reduce the life time of the device.
- DC Electrical Characteristics
|
|
DC Characteristic |
Sym |
Min |
Typ1 |
Max |
Units |
Test Comments |
|
1 |
Nominal Output Voltage |
+VDC |
11.5 |
12.0 |
12.5 |
V |
|
|
2 |
Line Regulation |
VLINE |
|
0.1 |
|
% |
@ 50% Load |
|
3 |
Load Regulation |
VLOAD |
|
1 |
|
% |
@ VIN=48V |
|
4 |
Output Ripple and Noise |
VRN |
|
180 |
|
mVp-p |
@ Max load2 |
|
5 |
Minimum Load |
RLOAD |
200 |
|
|
mA |
|
|
6 |
Short-Circuit Duration3 |
TSC |
|
|
∞ |
sec |
|
|
7 |
Efficiency @ 80% Load |
EFF |
|
87 |
|
% |
|
|
8 |
Isolation Voltage (I/O) |
VISO |
|
1500 |
|
VPK |
Impulse Test |
|
9 |
Temperature Coefficient |
TC |
|
0.02 |
|
% |
Per OC |
Note 1: Typical figures are at 25°C with a nominal 48V supply and are for design aid only. Not Guaranteed
2: The output ripple and noise can be reduced with an external filter, see application note.
3: Continuous short circuit duration is applicable at 25'C ambient temperature in free air. At higher temperatures or with restricted
airflow (e.g. in a sealed enclosure) the duration will need to be limited to avoid overheating.
RT7407 Typical Connection Diagram:

- Power Classification
The RT7407 classification is fixed at Class 4, this means that an IEEE802.3at Type 1 or an IEEE802.3af PSE will default to Class 0. However an IEEE802.3at PSE will recognise the Class 4 as a Type 2 PD.
- AT Detection
AT-DET output pin which is used to detect a Two Event Physical Layer classification as described in IEEE802.3at. If required the AT-DET pin can be connected directly to an opto-coupler.
If the detects a Two Event Physical Layer classification, the (AT True) switch will close and Opto1 will turn ON. Opto1 will be connected across the isolation barrier and the output collector can be connected to a controller (with a pull-up resistor connected to the controller’s power rail). When Opto1 is ON the collector (output) will be Logic 0, the controller will then know that the PSE is capable of delivering over 15.4W. To complete the protocol the controller should then confirm that it is a Type 2 PD over the Data Link Layer*.
If the detects a Single Event Physical Layer classification, Opto1 will be OFF and the output collector will be Logic 1 (via pull-up resistor). The controller should then assume that the PSE is limited to delivering up to 15.4W.
If the PSE does not support the Physical Layer classification, Opto1 will be OFF. The RT7407 will operate with non IEEE802.3at compliant POE+ PSE’s.
*Note: There are several PSEs (including Cisco) that will only delivery ≤15.4W until they receive Type 2 PD confirmation, over the Data Link Layer.
Package Size DIP-CON: (mm ±0.3mm)

